產品概述
不銹鋼內螺紋截止閥主要用來切斷(或接通)管路介質,適用于化工等行業(yè)的硝類等場合。采用明桿支架式,螺栓連接閥蓋結構,旋轉升降閥桿和手輪、閥體、閥蓋的設計經過嚴格的計算。具有強度、剛度和流通能力。閥蓋上設計了上密封座,在全開狀態(tài)下使填料密封更為可靠,并方便填料的更換。適用于石油、化工、冶金、電力、造紙、制藥、食品、水處理、石油、化工、火力電站等各種工況的管路上,切斷或接通管路介質。
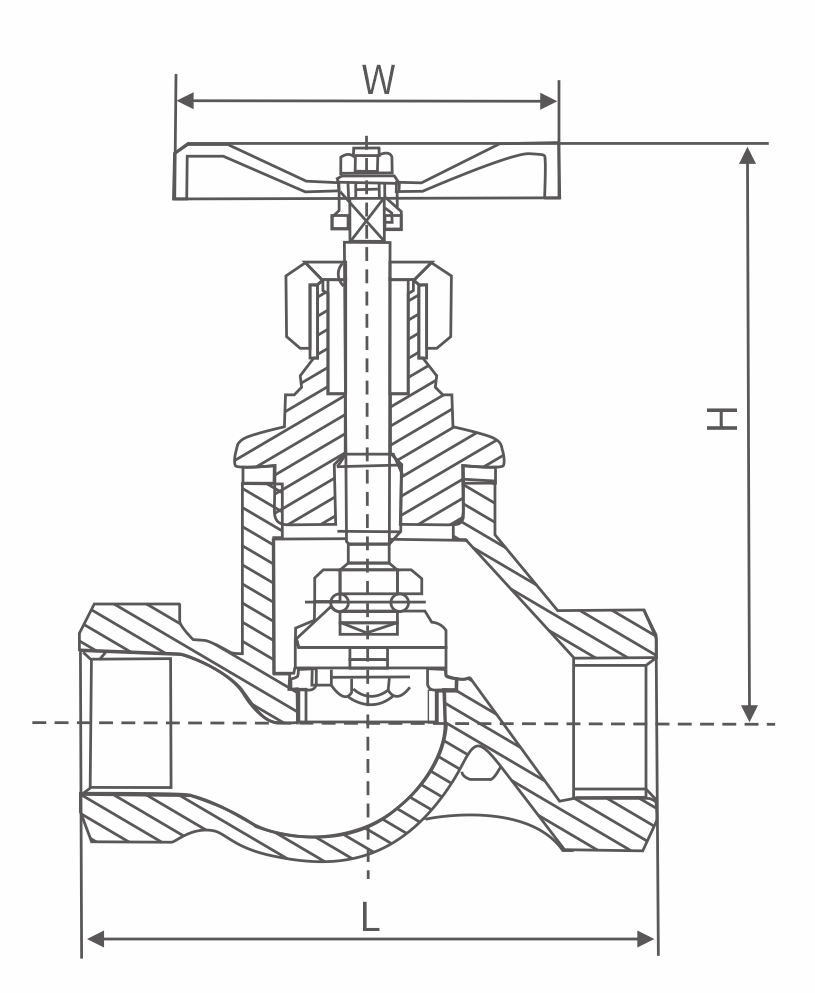
主要連接尺寸
NPS |
L |
W |
H |
1/2" |
87 |
63 |
97 |
3/4" |
97 |
72 |
103 |
1" |
117 |
72 |
110 |
1-1/4" |
135 |
97 |
142 |
1-1/2" |
163 |
98 |
167 |
2" |
188 |
126 |
182 |